WHL-09磁致伸缩线性位移传感器

首页 / 无锡河埒传感器 / 传感器  最后编辑时间:2021-05-27


1、概述

WHL-09磁致伸缩线性位移传感器是采用磁致伸缩原理的高精度超长行程绝对位置测量传感器,由于采用非接触测量方式,使用寿命长。

2、用途

适用于涡轮机和调速器控制及伺服气、液压油缸活塞位置的反馈或预置等。

3、技术参数

n  线性量程:02000mm可选(详见订货指南,亦可根据用户要求定制)。

n  输入电压:DC2028V

n  输出形式:DC420mADC204mA 010VDC100VDC四种规格。

n  非线性度:不大于0.5% F·S

n  重复性:不大于0.002%  F·S

n  工作温度:-40℃~85

n  温度影响:不大于0.5% F·S/

n  引出线:直接引出线方式。

n  执行标准:参照JJF 1305-2011

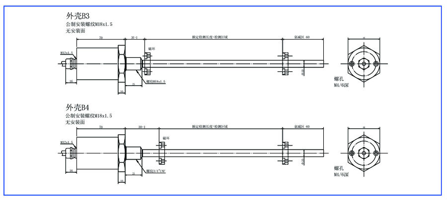
4、外形及安装尺寸


WHL-09传感器外形尺寸图


WHL-09传感器接线示意图


5、订货指南:



产品推荐
  • 网站地图