TD系列六线制LVDT

首页 / 无锡河埒传感器 / 传感器  最后编辑时间:2021-05-27


1、概述

TD系列LVDT传感器为六线制LVDT其工作原理:铁芯可移动的差动变压器,它产生的电量输出与其分离式可动铁芯位移成正比,从而进行位移的自动监测和控制,它在机械、电力、汽车、航天航空、冶金、能源、水利等行业的工矿企业、国防工程和科研院所等诸方面获得了广泛的应用。

该传感器动态特性好,可用于高速在线检测:结构简单、体积小;工作可靠、使用维护方便、寿命长;非线性度好、重复精度高。

TD系列传感器可以匹配各种进口变送器(卡件板),各项技术性能与进口传感器相同,可以替代进口传感器。具体型号可分为:400TD500TD700TD1000TD1500TD2000TD3000TD4000TD5000TD6000TD7000TD8000TD10000TD12000TD14000TD16000TD

产品出厂时可配有变送器,订货时请说明。

2、用途
适用于油动机行程、阀位的监测和保护。

3、技术参数

n  线性量程:0800mm,共16种规格(详见技术指标及尺寸表)。

n  非线性度:不大于0.5% F·S

n  初级阻抗:不小500Ω(振蒎频率为3kHz)。

n  工作温度:普通型-40℃~+150℃;高温型-40℃~+210℃(+250℃持续30分钟)。

n  温漂系数:小于0.03% F·S /

n  激励电压:3Vr ms(15 Vr ms)

n  激励频率:2.5 kHz400Hz10 kHz)。

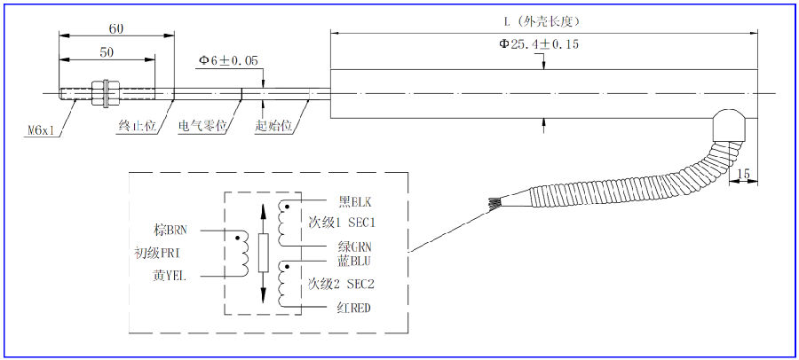
n  引出线:六根特氟隆绝缘护套线,外有不锈钢护套软管。

n  耐受振动:20g(可达2 kHz

n  执行标准:参照JJF 1305-2011


                                              技术指标及尺寸表

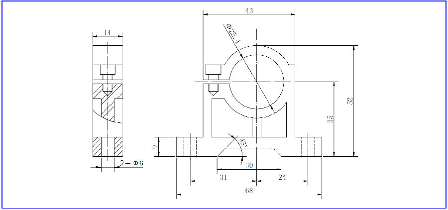
4、外形及安装尺寸

                                                                      TD系列LVDT位移传感器外形尺寸图


                                              安装支架图


5、订货指南

订货代号: A□□□□-B□□-C□□-D□□

注:TDG表示高温型LVDT传感器,TDN表示耐磨型LVDT传感器,TDGN表示高温耐磨型LVDT传感器。

传感器行程选择:A□□□□(直接填写行程,单位为mm

传感器引线长度选择:B□□(直接填写引线长度单位为0.1m,默认为1m

引线方式选择:C□□

              *01:直接引线
               02
:航空插头引线

配套变送器选择:D□□

*01:不配变送器
          02
:配变送器(注明订货代号,参见XCBSQ系列或LTM系列行程变送器订货指南

标示*为出厂默认值,如有特殊要求,请在订货时说明。

综合举例:订货代号为“3000TD-10-01-01的产品是指行程150mm、直接引线且引线长度为1m且不配相应变送器的TD系列LVDT位移传感器。





产品推荐
  • 网站地图